| Sign In | Join Free | My insurersguide.com |
|
Brand Name : DIODES
Model Number : AP1501A-50T5RG-U
Certification : ROHS
Place of Origin : CHINA
MOQ : 10pcs
Price : Negotiable
Payment Terms : T/T, Western Union
Supply Ability : 5000pcs/WEEK
Delivery Time : 2-3DAYS
Packaging Details : 50PCS/TUBE
Product Category : Switching Regulator
Installation style : Through Hole
Topological structure : Buck
Type : Voltage Converter
Factory packing quantity : 50
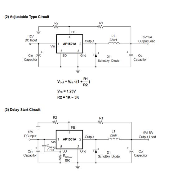
1.Output voltage: 3.3V, 5V, 12V and adjustable output version
•Adjustable version output voltage range, 1.23V to 37V+4%
• 150Khz +15% fixed switching frequency
•Voltage mode non-synchronous PWM control
• Thermal-shutdown and current-limit protection •ON/OFF shutdown control input
•Operating voltage can be up to 40V •Output load current: 5A
•Low power standby mode •Built-in switching transistor on chip
•Lead Free packages: TO263-5L and TO220-5L(R)
•TO263-5L and TO220-5L(R): Available in “Green” Molding Compound (No Br, Sb)
•Lead Free Finish/ RoHS Compliant (Note 1)
2.The AP1501A series are monolithic ICs that are designedfor astep-down DC/DC converter, and possess the ability to drive a 5A load without additional transistor component. Due to reducing the number of external component, the board space can be saved easily. The external shutdown function can be controlled by logic level and then come into standby mode. The internal compensation makes feedback control have good line and load regulation without external design. Regarding protected function, thermal shutdown is to prevent over temperature operating from damage, and current limit is against over current operating of the output switch. The AP1501A series operates at a switching frequency of 150Khz thus allowing smaller sized filter components than what would be needed with lower frequency switching regulators. Other features include a guaranteed +4% tolerance on output voltage under specified input voltage and output load conditions, and +15% on the oscillator frequency. The output version includes fixed 3.3V, 5V, 12V, and an adjustable type. The packages are available in a standard 5-lead TO263 and TO220 packages



Q1. What is your terms of packing?
A: Generally, we pack our goods in neutral white boxes and brown cartons.
If you have legally registered patent, we can pack the goods in your branded boxes after getting your authorization letters.
Q2. What is your MOQ?
A: We provide you small MOQ for each item, it depends your specific order!
Q3. Do you test or check all your goods before delivery?
A: Yes, we have 100% test and check all goods before delivery.
Q4: How do you make our business long-term and good relationship?
We keep good quality and competitive price to ensure our customers benefit ;
We respect every customer as our friend and we sincerely do business and make friends with them,It's not something that can be replaced.
Q5: How to contact us?
A: Send your inquiry details in the below,Click "Send"Now!!!
Shenzhen Hongxinwei Technology Co., Ltd
To adopt new technology,to produce products of quality,to offer high-class service.
Improve the management system continuously to meet customer requirement for high-quality products and services.
Why choose us?
|
|
CONV PWM 150KHZ 5A 1.23V Igbt Switching Regulator Module Images |